main
English
English
日本語
Italiano
French
Arabic
Russian
Portuguese
Bahasa Indonesia
German
Vietnamese
Korean
Thai
Bahasa Melayu
Türkçe
فارسی
Kiswahili
Hausa
বাংলা
Українська
Polski
Nederlands
Română
Ελληνικά
Svenska
Čeština
Magyar nyelv
Serbia
Български
Spanish
Jiangsu Clyde Material Conveyor Equipment Co., Ltd
HOME
PRODUCTS
NEWS
ARTICLE
MESSAGE
INTRO
Home
>
Products
>
AV pump
Product Groups
valve
pneumatic components
spare parts
Pneumatic conveying equipment
Firm Information
Transaction Level
VIP member
Contact
Phone
18052932929,18012533579
Address
No. 33, Road 5, Jianhu Science and Technology Entrepreneurship Park, Jiangsu Province
Contact Now
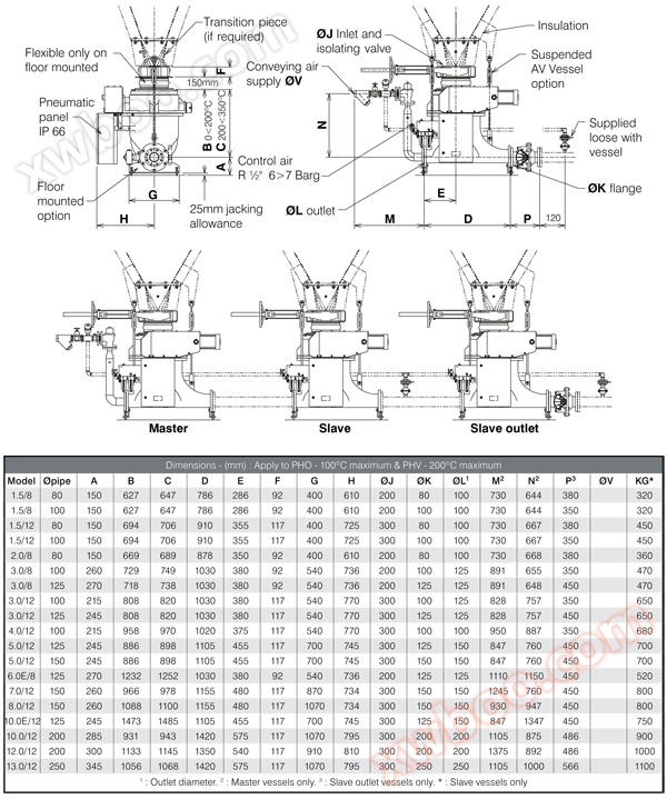
AV pump
AV pump
Contact Supplier
More Products
Product details
Online inquiry
Contacts
Company
Telephone
Email
WeChat
Verification Code
Message Content
Submit
prosperous Treasure Ming Tong Technology Co.,LTD. All copyright © ALL Rights reserved.
Successful operation!
Cancel
Successful operation!
Cancel
Successful operation!
Cancel